Class of Operation: aR
Rating:
Amps: 25-250A
Volts: 1000Vdc
Interrupting Rating: 50kA@1000Vdc
Standards/Approvals for Reference:
2IEC 60269/GB 13539 2CE 2RoHS compliant
Description: A range of square body high speed
fuse link for IGBT module and semiconductor protection
Cross-section: 21xmm(size 000)
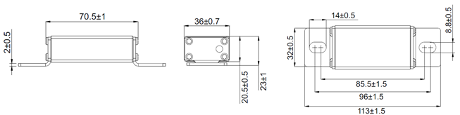
Dimensions(mm)

Catalogue Numbers
Items | Catalogue Numbers | Electrical Characteristics | Bolt Size | Installation torque (N.m) | |||
Rated Current RMS-Amps | I2t (A2Sec) | Watts Loss | |||||
Pre-arc | Clearing at 1000V | ||||||
1 | FWX-1000-25C | 25 | 53 | 164 | 5.8 | M8 | 12.0±1.0 |
2 | FWX-1000-32C | 32 | 99 | 316 | 7.0 | M8 | 12.0±1.0 |
3 | FWX-1000-40C | 40 | 159 | 526 | 8.6 | M8 | 12.0±1.0 |
4 | FWX-1000-50C | 50 | 268 | 912 | 10.4 | M8 | 12.0±1.0 |
5 | FWX-1000-63C | 63 | 438 | 1533 | 12.9 | M8 | 12.0±1.0 |
6 | FWX-1000-80C | 80 | 713 | 2565 | 16.3 | M8 | 12.0±1.0 |
7 | FWX-1000-100C | 100 | 1113 | 4119 | 20.3 | M8 | 12.0±1.0 |
8 | FWX-1000-125C | 125 | 1908 | 7250 | 24.3 | M8 | 12.0±1.0 |
9 | FWX-1000-160C | 160 | 3391 | 13227 | 30.3 | M8 | 12.0±1.0 |
10 | FWX-1000-200C | 200 | 5388 | 21551 | 30.8 | M8 | 12.0±1.0 |
11 | FWX-1000-225C | 225 | 8280 | 33938 | 37.7 | M8 | 12.0±1.0 |
12 | FWX-1000-250C | 250 | 10387 | 43623 | 40.4 | M8 | 12.0±1.0 |